EN
全部商品分类
  • 轴承号

  • 主要尺寸mm d

    ( 40 )mm

    ( 45 )mm

    ( 50 )mm

    ( 55 )mm

    ( 60 )mm

  • 主要尺寸mm D

    ( 52 )mm

    ( 58 )mm

    ( 62 )mm

    ( 65 )mm

    ( 68 )mm

    ( 72 )mm

    ( 75 )mm

    ( 78 )mm

    ( 80 )mm

    ( 85 )mm

    ( 90 )mm

    ( 95 )mm

    ( 100 )mm

    ( 110 )mm

    ( 120 )mm

    ( 130 )mm

    ( 140 )mm

    ( 150 )mm

  • 主要尺寸mm B

    ( 7 )mm

    ( 9 )mm

    ( 10 )mm

    ( 11 )mm

    ( 12 )mm

    ( 13 )mm

    ( 15 )mm

    ( 16 )mm

    ( 18 )mm

    ( 19 )mm

    ( 20 )mm

    ( 21 )mm

    ( 22 )mm

    ( 23 )mm

    ( 25 )mm

    ( 27 )mm

    ( 29 )mm

    ( 31 )mm

    ( 33 )mm

    ( 35 )mm

d 40-60mm

产品参数
PDF
下载
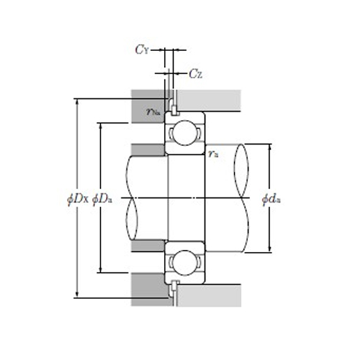
询价 轴承号 主要尺寸mm 额定基本负荷KN 额定基本负荷kgf fo 允许转速min-1 止动槽尺寸mm 止动环尺寸mm 安装相关尺寸mm 重量(大约)
开放式 带止动槽2) 带止动环2) d D B rsmin1) rNS
最小
动负荷Cr 静负荷Cor 动负荷Cr 静负荷Cor 脂润滑
开放式
ZZ LLB
油润滑
开放式
Z LB
D1
最大
a
最大
b
最小
r0
最大
D2
最大
f
最大
da
最小
da
最大3)
Da
最大
Dx
(大约)
CY
最大
Cz
最小
ras
最大
rNas
最大